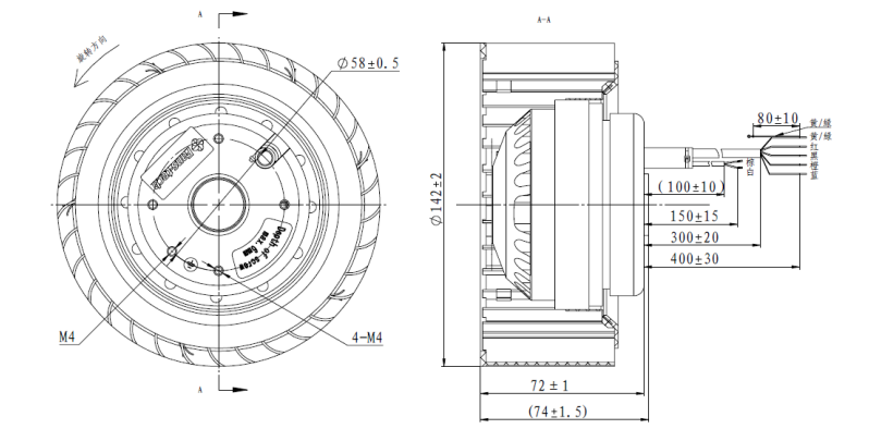
Model & Category
| Product model | SC140A1-068-005 |
| Product category | Forward centrifugal fans |
Basic parameters
| Voltage type | Single phase AC |
| Voltage (V) | 220 |
| Frequency(Hz) | 50 |
| Capacitance(μF) | 2.0 |
| Current(A) | H:0.26 M:0.23 L:0.22 |
| Power(W) | H:57 M:49 L:46 |
| RPM(RPM) | H:2380 M:2050 L:1830 |
| Diameter Φ(mm) | 140 |
| Airflow(m3/h) | - |
| Noise(dB) | H:59 M:56 L:53 |
